- Технические характеристики и другая информация предоставляются для справки.
- Чертежи и изображения представлены для ознакомления
Подшипник шариковый радиально-упорный 3801-B-2RSR-TVH
Конструктивным отличием в серии Подшипник шариковый радиально-упорный 3801-B-2RSR-TVH является особое расположение и строение дорожек качения, что позволяют передавать нагрузки между ними под меняющимся углом контакта. Система включает в себя наружную и внутреннюю шины с телами качения между ними. Устройство может иметь разборные, неразборные или съемные обоймы, скосы на шинах, оснащаться трех - или четырехточечными контактами. Существуют варианты с углами от 12 до 60 градусов.
Чем выделяется Подшипник шариковый радиально-упорный 3801-B-2RSR-TVH?
- Изготавливается согласно нормам стандартов ГОСТ 831-75, 8995-75, международным и европейским производственным нормативам ИСО.
- При увеличении контактного угла устройство дает возможность перераспределять прилагаемые рабочие осевые нагрузки в аксиальном направлении и тем самым снижать давление, оказываемое на шарикоподшипники. Соответственно, при уменьшении данного показателя осесимметричный вектор приложения сил падает, а воздействие по оси растет.
- Воспринимает только односторонние усилия. Для двусторонних требуется установка парных устройств или двухрядных аналогов.
- Съёмное внутреннее кольцо, являющееся монолитной или разборной деталью (2 части);
- 1 или 2 ряда тел качения, что позволяет воспринимать однонаправленные или двухсторонние осевые нагрузки;
- Соотношение радиальной и осевой нагрузки меняется в зависимости от величины контактного угла. При его уменьшении повышается допустимая аксиальная нагрузка;
- Тип с повышенными эксплуатационными параметрами (прецизионный) используется в высокоточном оборудовании;
- Возможность упрощённого монтажа в ограниченном пространстве.
Сегодня вы можете заказать с доставкой Подшипник шариковый радиально-упорный 3801-B-2RSR-TVH ГОСТ или (аналог ISO) или иные модели от FAG, KOYO, NSK, SKF, SNR по скромной стоимости в нашем онлайн-магазине!
Технические характеристики
Обозначение : 3801-B-2RSR-TVH
Размеры, мм : 12x21x7
Производитель : FAG
Диаметр внутренний, мм : 12
Диаметр наружный, мм : 21
Высота, мм : 7
Технические данные из каталога производителя :
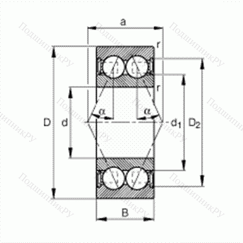
d - 12 mm
D - 21 mm
B - 7 mm
a - 8,9 mm
D2 -
Da max - 19 mm
d1 - 15 mm
da min - 14 mm
ra max - 0,3 mm
rmin - 0,3 mm
α - 25 ° / Угол контакта
m - 0,008 kg / Вес
Cr - 2190 N / динамическая грузоподъемность, радиальная
C0r - 1550 N / статическая грузоподъемность, радиальная
Cur - 79 N / радиальная нагрузка предела усталости
nG - 15000 1/min / предельная частота вращения
двухрядный, контактные уплотнения с двух сторон, угол контакта α = 25°
| 
																Производитель
															 | FAG | 
| 
																Ширина B
															 | 7 | 
| 
																Внешний диаметр D
															 | 21 | 
| 
																Внутренний диаметр d
															 | 12 | 
| 
																Размер
															 | 12x21x7 | 
| 
																Вес, кг
															 | 0.008 | 
| 
																Модель
															 | 3801-B-2RSR-TVH-FAG | 
| 
																SKU
															 | 3801-B-2RSR-TVH-FAG | 
Похожие по размеру
Оформить заказ на нашем сайте легко. Просто добавьте выбранные товары в корзину, а затем перейдите на страницу Корзина, проверьте правильность заказанных позиций и нажмите кнопку «Оформить заказ» или «Быстрый заказ».
Функция «Быстрый заказ» позволяет покупателю не проходить всю процедуру оформления заказа самостоятельно. Вы заполняете форму, и через короткое время вам перезвонит менеджер магазина. Он уточнит все условия заказа, ответит на вопросы, касающиеся качества товара, его особенностей. А также подскажет о вариантах оплаты и доставки.
По результатам звонка, пользователь либо, получив уточнения, самостоятельно оформляет заказ, укомплектовав его необходимыми позициями, либо соглашается на оформление в том виде, в котором есть сейчас. Получает подтверждение на почту или на мобильный телефон и ждёт доставки.
Если вы уверены в выборе, то можете самостоятельно оформить заказ, заполнив по этапам всю форму.
Выберите из списка название вашего региона и населённого пункта. Если вы не нашли свой населённый пункт в списке, выберите значение «Другое местоположение» и впишите название своего населённого пункта в графу «Город». Введите правильный индекс.
	 В зависимости от места жительства вам предложат варианты доставки. Выберите любой удобный способ. 
	
	Оплата
Выберите оптимальный способ оплаты.
Введите данные о себе: ФИО, адрес доставки, номер телефона. В поле «Комментарии к заказу» введите сведения, которые могут пригодиться курьеру, например: подъезды в доме считаются справа налево.
Проверьте правильность ввода информации: позиции заказа, выбор местоположения, данные о покупателе. Нажмите кнопку «Оформить заказ».
Наш сервис запоминает данные о пользователе, информацию о заказе и в следующий раз предложит вам повторить к вводу данные предыдущего заказа. Если условия вам не подходят, выбирайте другие варианты.

 
                                            
                                        
