- Технические характеристики и другая информация предоставляются для справки.
- Чертежи и изображения представлены для ознакомления
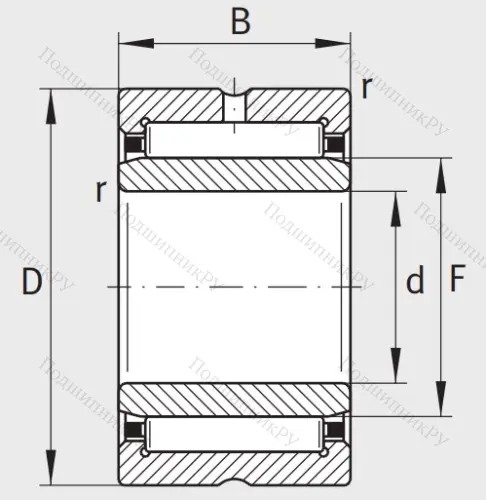
Игольчатый подшипник NKIS 35 XL
В конструкцию Игольчатый подшипник NKIS 35 XL входит массивная наружная обойма, обработанная машинным методом, со специальными бортами-ограничителями, предназначенными для фиксации передвижения шины относительно тела качения. Из-за отсутствия внутреннего кольца движение происходит на валу. Иголки размещены внутри стального сепаратора.
Чем выгоден при покупке Игольчатый подшипник NKIS 35 XL?
- Игольчатый подшипник хорошо выдерживает высокие скорости движения, ударные рабочие нагрузки, может использоваться в широком температурном диапазоне и отличается стойкостью перед коррозиями.
- Отвечает международным производственным стандартам ISO 15:1998, ISO 1206-1982, ISO 492:1994, европейским нормам DIN 617 и ГОСТ.
- Подходит для установки на отшлифованных и закаленных установочных поверхностях (к примеру, в станках).
- Имеет небольшие габариты и может монтироваться в условиях ограниченного пространства.
Нужен Игольчатый подшипник NKIS 35 XL ГОСТ или его (аналог ISO) или другие изделия производства FAG, KOYO, NSK, SKF, SNR по доступной стоимости? На складах нашего интернет-магазина вы сможете найти все необходимые детали – просто свяжитесь с нашими специалистами через онлайн-форму или по телефону!
| Бренд | INA |
| Страна производитель | СЛОВАКИЯ |
| Внутренний диаметр d | 35 мм |
| Внешний диаметр D | 58 мм |
| Ширина B(H) | 22 мм |
|
Производитель
|
INA |
|
Ширина B
|
22 |
|
Внешний диаметр D
|
58 |
|
Внутренний диаметр d
|
35 |
|
Размер
|
35x58x22 |
|
Модель
|
NKIS 35 XL |
Похожие по размеру
Оформить заказ на нашем сайте легко. Просто добавьте выбранные товары в корзину, а затем перейдите на страницу Корзина, проверьте правильность заказанных позиций и нажмите кнопку «Оформить заказ» или «Быстрый заказ».
Функция «Быстрый заказ» позволяет покупателю не проходить всю процедуру оформления заказа самостоятельно. Вы заполняете форму, и через короткое время вам перезвонит менеджер магазина. Он уточнит все условия заказа, ответит на вопросы, касающиеся качества товара, его особенностей. А также подскажет о вариантах оплаты и доставки.
По результатам звонка, пользователь либо, получив уточнения, самостоятельно оформляет заказ, укомплектовав его необходимыми позициями, либо соглашается на оформление в том виде, в котором есть сейчас. Получает подтверждение на почту или на мобильный телефон и ждёт доставки.
Если вы уверены в выборе, то можете самостоятельно оформить заказ, заполнив по этапам всю форму.
Выберите из списка название вашего региона и населённого пункта. Если вы не нашли свой населённый пункт в списке, выберите значение «Другое местоположение» и впишите название своего населённого пункта в графу «Город». Введите правильный индекс.
В зависимости от места жительства вам предложат варианты доставки. Выберите любой удобный способ.
Оплата
Выберите оптимальный способ оплаты.
Введите данные о себе: ФИО, адрес доставки, номер телефона. В поле «Комментарии к заказу» введите сведения, которые могут пригодиться курьеру, например: подъезды в доме считаются справа налево.
Проверьте правильность ввода информации: позиции заказа, выбор местоположения, данные о покупателе. Нажмите кнопку «Оформить заказ».
Наш сервис запоминает данные о пользователе, информацию о заказе и в следующий раз предложит вам повторить к вводу данные предыдущего заказа. Если условия вам не подходят, выбирайте другие варианты.


