- Технические характеристики и другая информация предоставляются для справки.
- Чертежи и изображения представлены для ознакомления
Подшипник скольжения сферический GAC 90T
Подшипник скольжения сферический GAC90T конструкция которого представлена внешним кольцом, внутри вращается внутренняя обойма. Существуют прямые, шарнирные (самовыравнивающиеся), угловые, гидравлические, двойные шарикоподшипниковые и роликоподшипниковые варианты исполнения. Отдельные разновидности изделий (с парой трения «сталь – сталь») нуждаются в обслуживании и имеют каналы для подачи смазки, в то время как другие не нуждаются в ТО. В первом случает система включает в себя пару стальных шин, обработанную предварительно фосфатами и дисульфитом молибдена. Необслуживаемые модели покрываются политетрафторэтиленом, армируются медью и дополнительно усиливаются хромом.
Каковы преимущества Подшипник скольжения сферический GAC90T?
- Деталь самоцентрируется в процессе монтажа, автоматически устраняя перекосы вала и несоосность.
- Воспринимает одновременно нагрузки разнонаправленного типа: аксиальную и действующую в обоих направлениях осевую.
- Отличается крайне высокой износостойкостью, минимальной ползучестью и способностью работать в ударных темпах.
Покупайте Подшипник скольжения сферический GAC90T ГОСТ или его (аналоги ISO) по выгодной цене, также заказывайте другие изделия среди модельного ряда нашего онлайн-каталога от производителей FAG, KOYO, NSK, SKF, SNR!
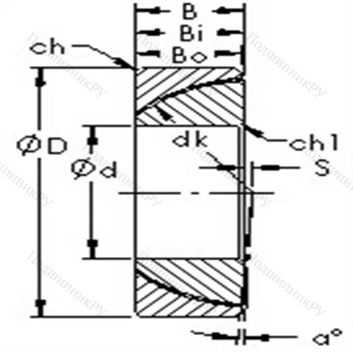
Технические характеристики
Обозначение : GAC90T
Размеры, мм : 90x140x32
Производитель : AST
Диаметр внутренний, мм : 90
Диаметр наружный, мм : 140
Высота, мм : 32
Технические данные из каталога производителя :
(размеры в мм)
Bearing Type - steel-on-PTFE fabric
Bore Dia (d) - 90.0000
Outer Dia (D) - 140.0000
Width (B) - 32.0000
Outer Width (Bo) - 28.0000
Inner Width (Bi) - 32.0000
Dynamic Load Rating (Cr) - 550,000
Static Load Rating (Cor) - 1,380,000
Max. shaft corner radius, or 45 deg. chamfer (ch1) - 1.500
Max. housing corner radius, or 45 deg. chamfer (ch) - 1.500
Spherical Diameter (dk or Dk) - 128.500
Mis-alignment Angle (a deg.) - 3.5
Spherical Center Location (S) - 10
Weight (g) - 2,090.00
Material - 52100 Chrome steel, or equivalent
This spherical plain bearing has a PTFE fabric liner, the inner ring is hard chrome plated on the sliding surface.
A single bearing can only accept axial loading in one direction. A pair of opposing bearings are required for radial loading and bi-direction axial loading.
The bearing must be protected from dirt and contamination.
|
Производитель
|
AST |
|
Ширина B
|
32 |
|
Внешний диаметр D
|
140 |
|
Внутренний диаметр d
|
90 |
|
Размер
|
90x140x32 |
|
Вес, кг
|
2.090.00 |
|
Модель
|
GAC90T-AST |
|
SKU
|
GAC90T-AST |
Похожие по размеру
Оформить заказ на нашем сайте легко. Просто добавьте выбранные товары в корзину, а затем перейдите на страницу Корзина, проверьте правильность заказанных позиций и нажмите кнопку «Оформить заказ» или «Быстрый заказ».
Функция «Быстрый заказ» позволяет покупателю не проходить всю процедуру оформления заказа самостоятельно. Вы заполняете форму, и через короткое время вам перезвонит менеджер магазина. Он уточнит все условия заказа, ответит на вопросы, касающиеся качества товара, его особенностей. А также подскажет о вариантах оплаты и доставки.
По результатам звонка, пользователь либо, получив уточнения, самостоятельно оформляет заказ, укомплектовав его необходимыми позициями, либо соглашается на оформление в том виде, в котором есть сейчас. Получает подтверждение на почту или на мобильный телефон и ждёт доставки.
Если вы уверены в выборе, то можете самостоятельно оформить заказ, заполнив по этапам всю форму.
Выберите из списка название вашего региона и населённого пункта. Если вы не нашли свой населённый пункт в списке, выберите значение «Другое местоположение» и впишите название своего населённого пункта в графу «Город». Введите правильный индекс.
В зависимости от места жительства вам предложат варианты доставки. Выберите любой удобный способ.
Оплата
Выберите оптимальный способ оплаты.
Введите данные о себе: ФИО, адрес доставки, номер телефона. В поле «Комментарии к заказу» введите сведения, которые могут пригодиться курьеру, например: подъезды в доме считаются справа налево.
Проверьте правильность ввода информации: позиции заказа, выбор местоположения, данные о покупателе. Нажмите кнопку «Оформить заказ».
Наш сервис запоминает данные о пользователе, информацию о заказе и в следующий раз предложит вам повторить к вводу данные предыдущего заказа. Если условия вам не подходят, выбирайте другие варианты.
