- Технические характеристики и другая информация предоставляются для справки.
- Чертежи и изображения представлены для ознакомления
Подшипник скольжения сферический GIHN-K 32 LO
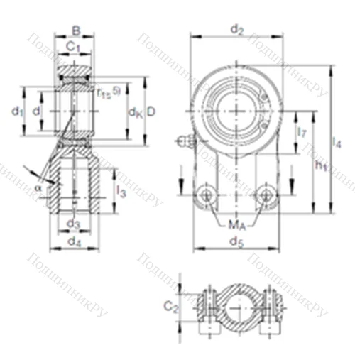
Подшипник скольжения сферический GIHN-K 32 LO конструкция которого представлена внешним кольцом, внутри вращается внутренняя обойма. Существуют прямые, шарнирные (самовыравнивающиеся), угловые, гидравлические, двойные шарикоподшипниковые и роликоподшипниковые варианты исполнения. Отдельные разновидности изделий (с парой трения «сталь – сталь») нуждаются в обслуживании и имеют каналы для подачи смазки, в то время как другие не нуждаются в ТО. В первом случает система включает в себя пару стальных шин, обработанную предварительно фосфатами и дисульфитом молибдена. Необслуживаемые модели покрываются политетрафторэтиленом, армируются медью и дополнительно усиливаются хромом.
Каковы преимущества Подшипник скольжения сферический GIHN-K 32 LO?
- Деталь самоцентрируется в процессе монтажа, автоматически устраняя перекосы вала и несоосность.
- Воспринимает одновременно нагрузки разнонаправленного типа: аксиальную и действующую в обоих направлениях осевую.
- Отличается крайне высокой износостойкостью, минимальной ползучестью и способностью работать в ударных темпах.
Покупайте Подшипник скольжения сферический GIHN-K 32 LO ГОСТ или его (аналоги ISO) по выгодной цене, также заказывайте другие изделия среди модельного ряда нашего онлайн-каталога от производителей FAG, KOYO, NSK, SKF, SNR!
Технические характеристики
Обозначение : GIHN-K 32 LO
Размеры, мм : 32x52x32
Производитель : INA
Диаметр внутренний, мм : 32
Диаметр наружный, мм : 52
Высота, мм : 32
Технические данные из каталога производителя :
Внутренний диаметр (d) - 32 мм.
Наружный диаметр (D) - 52 мм.
Ширина (высота) (B) - 32 мм.
Крепежный винт - M10X25
Размер (d1) - 38 мм.
Размер (d2) - 70 мм.
Размер (d4) - 38 мм.
Размер (dk) - 44 мм.
Размер (h1) - 80 мм.
Размер (l3 min.) - 37 мм.
Размер (l4 max.) - 115 мм.
Размер (l7 min.) - 32 мм.
Размер (C1) - 27 мм.
Резьба (G) - M27X2
Угол наклона - 4 Градусы
Размер (d5) - 66 об/мин
Размер (C2) - 22
Масса - 1,2 Кг
Грузоподъемность динамическая (C) - 67 кН
Грузоподъемность статическая (C0) - 98,8 кН
Максимальный момент затяжки - 64 Нм
Уплотнение - Нет
| 
																Производитель
															 | INA | 
| 
																Ширина B
															 | 32 | 
| 
																Внешний диаметр D
															 | 52 | 
| 
																Внутренний диаметр d
															 | 32 | 
| 
																Размер
															 | 32x52x32 | 
| 
																Вес, кг
															 | 1.2 | 
| 
																Модель
															 | GIHN-K-32-LO-INA | 
| 
																SKU
															 | GIHN-K-32-LO-INA | 
| 
																Диаметр вала d1
															 | 38 мм. | 
Похожие по размеру
Оформить заказ на нашем сайте легко. Просто добавьте выбранные товары в корзину, а затем перейдите на страницу Корзина, проверьте правильность заказанных позиций и нажмите кнопку «Оформить заказ» или «Быстрый заказ».
Функция «Быстрый заказ» позволяет покупателю не проходить всю процедуру оформления заказа самостоятельно. Вы заполняете форму, и через короткое время вам перезвонит менеджер магазина. Он уточнит все условия заказа, ответит на вопросы, касающиеся качества товара, его особенностей. А также подскажет о вариантах оплаты и доставки.
По результатам звонка, пользователь либо, получив уточнения, самостоятельно оформляет заказ, укомплектовав его необходимыми позициями, либо соглашается на оформление в том виде, в котором есть сейчас. Получает подтверждение на почту или на мобильный телефон и ждёт доставки.
Если вы уверены в выборе, то можете самостоятельно оформить заказ, заполнив по этапам всю форму.
Выберите из списка название вашего региона и населённого пункта. Если вы не нашли свой населённый пункт в списке, выберите значение «Другое местоположение» и впишите название своего населённого пункта в графу «Город». Введите правильный индекс.
	 В зависимости от места жительства вам предложат варианты доставки. Выберите любой удобный способ. 
	
	Оплата
Выберите оптимальный способ оплаты.
Введите данные о себе: ФИО, адрес доставки, номер телефона. В поле «Комментарии к заказу» введите сведения, которые могут пригодиться курьеру, например: подъезды в доме считаются справа налево.
Проверьте правильность ввода информации: позиции заказа, выбор местоположения, данные о покупателе. Нажмите кнопку «Оформить заказ».
Наш сервис запоминает данные о пользователе, информацию о заказе и в следующий раз предложит вам повторить к вводу данные предыдущего заказа. Если условия вам не подходят, выбирайте другие варианты.

 
                                            
                                        