- Технические характеристики и другая информация предоставляются для справки.
- Чертежи и изображения представлены для ознакомления
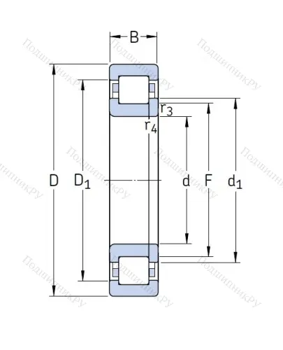
Роликовый цилиндрический подшипник NUP 208 ECP
Роликовый цилиндрический подшипник NUP 208 ECP относится к группе однорядных цилиндрических роликоподшипников. Конструктивно состоит из:
- внешней обоймы с двумя направляющими бортами;
- внутренней обоймы с одним бортом и съёмным свободным кольцом;
- цилиндрических роликовых тел качения;
- сепаратора.
Предлагается в разъёмном исполнении (съёмное кольцо, внутреннее). В зависимости от типа может иметь массивную или тонкостенную штампованную внешнюю обойму. Сепараторы выполняются из разных материалов (сталь, латунь, полиамид) и по различным технологиям, что влияет на эксплуатационные характеристики подшипника.
Допустимые пределы рабочих температур: 120° C – для полиамидных, 150° C – для стальных и латунных сепараторов.
Какая особенность серии Роликовый цилиндрический подшипник NUP 208 ECP влияет на выбор варианта его применения?
- способен удерживать вал от двунаправленных перемещений, обусловленных температурными расширениями последнего;
- в зависимости от типа отлично воспринимает ускорения (кратковременные перегрузки) и допускает высокоскоростную эксплуатацию вала;
- рассчитан на использование в качестве установочного.
Планируете покупку из серии Роликовый цилиндрический подшипник NUP 208 ECP? Выберите нужный подшипник в нашем каталоге и закажите прямо сейчас.
| Бренд | SKF |
| Страна производитель | ГЕРМАНИЯ |
| Внутренний диаметр d | 40 мм |
| Внешний диаметр D | 80 мм |
| Ширина B(H) | 18 мм |
|
Производитель
|
SKF |
|
Ширина B
|
18 |
|
Внешний диаметр D
|
80 |
|
Внутренний диаметр d
|
40 |
|
Размер
|
40x80x18 |
|
Модель
|
NUP 208 ECP |
Похожие по размеру
Оформить заказ на нашем сайте легко. Просто добавьте выбранные товары в корзину, а затем перейдите на страницу Корзина, проверьте правильность заказанных позиций и нажмите кнопку «Оформить заказ» или «Быстрый заказ».
Функция «Быстрый заказ» позволяет покупателю не проходить всю процедуру оформления заказа самостоятельно. Вы заполняете форму, и через короткое время вам перезвонит менеджер магазина. Он уточнит все условия заказа, ответит на вопросы, касающиеся качества товара, его особенностей. А также подскажет о вариантах оплаты и доставки.
По результатам звонка, пользователь либо, получив уточнения, самостоятельно оформляет заказ, укомплектовав его необходимыми позициями, либо соглашается на оформление в том виде, в котором есть сейчас. Получает подтверждение на почту или на мобильный телефон и ждёт доставки.
Если вы уверены в выборе, то можете самостоятельно оформить заказ, заполнив по этапам всю форму.
Выберите из списка название вашего региона и населённого пункта. Если вы не нашли свой населённый пункт в списке, выберите значение «Другое местоположение» и впишите название своего населённого пункта в графу «Город». Введите правильный индекс.
В зависимости от места жительства вам предложат варианты доставки. Выберите любой удобный способ.
Оплата
Выберите оптимальный способ оплаты.
Введите данные о себе: ФИО, адрес доставки, номер телефона. В поле «Комментарии к заказу» введите сведения, которые могут пригодиться курьеру, например: подъезды в доме считаются справа налево.
Проверьте правильность ввода информации: позиции заказа, выбор местоположения, данные о покупателе. Нажмите кнопку «Оформить заказ».
Наш сервис запоминает данные о пользователе, информацию о заказе и в следующий раз предложит вам повторить к вводу данные предыдущего заказа. Если условия вам не подходят, выбирайте другие варианты.



